datakom-ukraine header.jpg
044 451-7300; 044 451-7344;

Час роботи: Понеділок-П’ятниця з 10:00 до 18:00.  

DATAKOM DKG-327 Контролер керування введенням резерву


DATAKOM DKG-327 Контролер керування введенням резерву
DATAKOM DKG-327 Контролер керування введенням резерву
(0)
1 грн.
шт

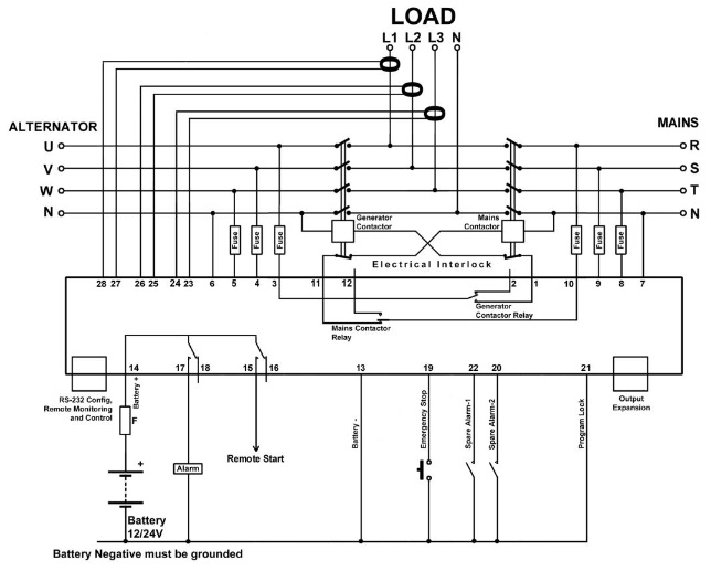
DKG-327 - це контрольно-захисна панель, призначена для моніторингу 3-фазної напруги в мережі, відправки команди дистанційного пуску на генераторну установку та перемикання як генератора, так і мережевих контакторів.
Він відображає виміряні значення на своїх дисплеях.
Генератором передбачається керувати блоком керування дистанційного запуску.
У положенні АВТОМАТИЧНО DKG-327 контролює фазні напруги мережі.
У разі збою в мережі він контролює дистанційний запуск і передачу навантаження генераторної установки, а коли генератор працює, він контролює внутрішні захисти та зовнішні входи несправності. Якщо виникає несправність, пристрій автоматично відключає дистанційний запуск і вказує джерело несправності відповідною червоною світлодіодною лампою.
Пристрій може керувати як контакторами, так і моторизованими вимикачами. На передній панелі імітаційна схема надає інформацію про доступність електромережі та генератора, а також про розташування контактора.
Управління роботою пристрою здійснюється за допомогою кнопок на передній панелі. Кнопки LOAD TEST, TEST, AUTO і OFF вибирають режим роботи. Інші кнопки вибирають функції прокрутки параметрів дисплея, вимкнення сигналу будильника та перевірки лампи.
DKG-327 надає повний набір цифрово регульованих таймерів, порогових рівнів, конфігурацій входу та виходу та операційної послідовності. Несанкціонований доступ до параметрів програми запобігається введенням блокування програми. Усі програми можна змінювати за допомогою кнопок на передній панелі та не потребують зовнішнього пристрою.
Умови несправності розглядаються у 2 категоріях як попередження та тривоги. Виміряні значення мають окремі програмовані межі для умов попередження та тривоги.
Індикатор запиту на обслуговування вмикається після закінчення робочих годин або часових обмежень. За допомогою допоміжної програми RAINBOW PC на базі WINDOWS можна контролювати роботу системи локально або віддалено.
Пристрій призначений для монтажу на передній панелі. Встановлюється в виріз за допомогою монтажних кронштейнів. Підключення виконується за допомогою двокомпонентних штекерних і розеток.


  • КОРОТКИЙ КАТАЛОГ ПРОДУКЦІЇ DATAKOM
  • ІНТЕРНЕТ- МОНІТОРИНГ ГЕНЕРАТОРІВ
  • ІНТЕРНЕТ- МОНІТОРИНГ ЕЛЕКТРОМЕРЕЖ
  • Програмне забезпечення та ліцензії
  • Контактори та автомат. перемикачі 4PRO
  • Щити, шафи та рубильники АВР
  • Щити автом. управління генераторами
  • Моделі попередніх поколінь
datakom-ukraine header.jpg