|
|
Авторизация |
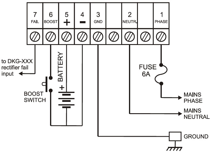
SMPS 123/243 Зарядні пристрої акумулятора
Серія SMPS - це зарядні пристрої з фіксованою вихідною напругою та обмеженим струмом, спеціально розроблені для постійного підключення до стартерних батарей генератора.
Вони підтримують батареї повністю зарядженими, без перезаряджання або утворення газу.
Коли напруга батареї нижча за плавний рівень заряду, зарядний пристрій забезпечує постійний струм, майже рівний номінальному вихідному струму, що дозволяє швидко відновити відсутній заряд.
Коли напруга батареї досягає плавного рівня, зарядний пристрій перемикається в режим постійної напруги і підтримує акумулятор повністю зарядженим, забезпечуючи максимальний термін служби акумулятора.
Зарядні пристрої розроблені за технологією switchmode. Їх міцна конструкція дозволяє виживати в жорстких електромагнітних середовищах в автомобільній промисловості.
ОСОБЛИВОСТІ
-Архітектура режиму комутації 100 кГц
- Поплавкова система зарядки
- Постійна вихідна напруга
- Обмежений струм
- Надійна конструкція для промислових умов
- Широкий діапазон робочої напруги
- Вихід з ладу випрямляча
- Підвищення вхідного заряду
- Захист від короткого замикання
- Захист від перевантаження
- Захист від високої температури
- Система вставного підключення
Устаткування для електрогенераторів
Дані контролери призначені для виконання завдань з управління електрогенераторними установками та моніторингу різних параметрів електромереж через Інтернет. Для цих цілей дані контролери здійснюють підтримку IP мереж і мають у своєму складі інтерфейс Ethernet та/або GSM GPRS модем.
Інтернет-шлюзи, представлені в цьому розділі, дозволяють підключати до системи моніторингу широкий спектр контролерів Datakom з підтримкою протоколу MODBUS. Пристрої інших виробників, що підтримують протокол MODBUS, можуть бути підключені до системи моніторингу після попереднього додавання таблиці MODBUS таких пристроїв в базу даних системи.
Безкоштовне програмне забезпечення на базі Windows дозволяє здійснювати моніторинг, керування та конфігурування контролерів.
Веб-сервіс Rainbow Scada дозволяє контролювати необмежену кількість контролерів з вікна веб-браузера комп'ютера, планшета або смартфона.
Вимірювальні прилади та аналізатори
Вимірювальні прилади, мультиметри та аналізатори мережі ДАТАКОМ (серії: DA, DF, DKM, DM, DV та DVF) призначені для вимірювання різних параметрів одно- та трьох- фазних електричних мереж включаючи напругу, силу струму, частоту, потужність активну та реактивну тощо.
Дані прилади призначені для використання в промислових та побутових електрощитових пристроях та електрогенераторних установках, портативних електростанціях та інших системах.
Контролери компресорів та насосів
Виды перевода
Перевод текстов
Исходный текст
Данные контроллеры предназначены для управления и защиты винтовых или поршневых компрессоров с приводом от двигателей внутреннего сгорания и электромоторов и выполняют все функции, необходимые для панелей управления компрессором.
Dannyye kontrollery prednaznacheny dlya upravleniya i zashchity vintovykh ili porshnevykh kompressorov s privodom ot dvigateley vnutrennego sgoraniya i elektromotorov i vypolnyayut vse funktsii, neobkhodimyye dlya paneley upravleniya kompressorom.
Ещё
229 / 5 000
Результаты перевода
Дані контролери призначені для керування та захисту гвинтових або поршневих компресорів з приводом від двигунів внутрішнього згоряння та електромоторів і виконують всі функції, необхідні для панелей керування компресором.
Компенсатори реактивної потужності
Контролери компенсації реактивної потужності використовують масиви конденсаторів або котушок індуктивності для досягнення цільової величини коефіцієнта потужності в таких цілях:
• зниження навантаження на лінії електропередачі, трансформатори та розподільні пристрої;
• зниження витрат на оплату електроенергії;
• зниження рівня вищих гармонік;
• придушення мережевих перешкод та зниження асиметрії фаз;
• підвищення надійності та економічності розподільних мереж.
Дані пристрої також використовуються для вимірювання та відображення різних параметрів змінного струму трифазних розподільних панелей, включаючи гармонічні спотворення фазної напруги та струмів.
